
可燃氣體探測器應用目前為止還是很廣泛,從工業應用到家用都有涉及到可燃氣體探測報警器,他們有多人了解過它是什么工作原理嗎?它有什么功能嗎?可能很多朋友并沒有在意過這問題,甚至不知道是怎么一會事,今天小編為大家分析介紹一下關于這方面的專業知識,讓用戶明白和使用的產品它究竟就一個什么樣的產品,能夠使用好它。
首先介紹一下關于探測器的原理,在說原理之前我們先來認識一些可燃氣體種類,天然氣,石油液化氣、煤氣、甲烷、乙烷、氫氣、丙烷、甲醇、乙醇、這些都是屬于常見類的可燃氣體,那么這些氣體也是最容易發生爆炸燃燒的,檢測這些氣體的傳感器就是叫可燃氣體探測傳感器,它們的主要原理有催化燃燒原理,半導體原理,紅外原理,主要分為這三種,現在我們就來分別介紹一下這三種原理各種的特點。
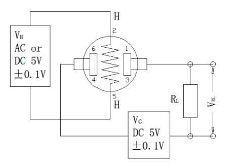
第一種原理:半導體原理,它的組成主要回路有,加熱回路,負載回路,電源電源回路三個組成部分,利用加熱回路把半導體器件加熱到穩定以后,當可燃氣體接觸到傳感器后,傳感器的電導率就會隨之可燃氣體的濃度增大而增大形成與可燃氣體濃度成比例的輸出信號,這類傳感器主要用的氣敏材料為二氧化錫成份的材料。這類傳感器使用壽命最高的可長達10年,缺點就是穩定性不好,老化越熱時間長,零點漂移大,所以常在民用可燃氣體探測器上經常應用,它的基本工作原理電路如下:

第二種原理為:催化燃燒原理,它的主要組成是由兩對電橋組成的兩個電橋臂,當氣體傳感器與可燃氣體接觸以后,電橋內電阻發生變化,引起電橋輸出電壓變化,輸出電壓大小與可燃氣體濃度成正比例,一些催化燃燒傳感器內還配置了補償參比補償器,可有效防止環境變化帶來的信號變差,使整個電橋輸出比例與濃度正比例,這類傳感器的特點就是穩定信號,零點穩定,重復性好,使用壽命基本為3年左右,它的基本工作電路原理如下:
第三種原理為:紅外原理,這類傳感器主要是針對個別氣體不是所有的可燃氣體都能使用紅外原理,只有個別易燃氣體能夠使用到紅外原理的傳感器檢測,點型的甲烷,乙烷,丙烷現目前有常用的紅外原理傳感器,多數可燃氣體仍不能使用紅外氣體傳感器來作為檢測對象,它的主要是運用非色散型的紅外光NDIR對空氣中可燃氣體進行檢測,該傳感器利用近紅外光譜吸收特點與可燃氣體濃度形成吸收強度關系來判斷氣體濃度。它具有可識別性,能在復雜的背景氣體中準確識別出目標氣體的濃度,使用壽命普遍在五年以上,這類傳感器主要優點在于響應速度快,重復性高,集溫度補償于一體。是在優于催化燃燒一代產品。傳感器輸出模擬量信號經過探測器A/D轉換電路形成氣體濃度變化。
HA8100固定式氣體探測器
以上為最為常見的可燃氣體探測器工作原理,接下來我們在來看看它們都有哪些功能,在使用的時候對我們有哪些幫助,如何使用好這些功能是我們需要重點關注的內容。接下來我們詳細介紹一下關于探測器的功能
產品功能第一點:固定式可燃氣體探測器輸出信號為4-20mA可于可燃氣體濃度成正比信號輸出,一般應用與氣體報警器主機與探測器配套,或者是PLC、DCS遠程傳輸集中控制項目,可實現信號遠傳。
產品功能第二點:具有遠程紅外遙控功能,可使用遙控器對氣體探測器免開蓋調節參數,設置報警點,修改探測器內部數據或者校準,或者按安裝位置太高或者狹窄空間不利于操作的地方,配套使用可方便調節參數。
產品功能第三點:遠程GPRS控制,短信報警功能控制,利用遠程控制實現無線數據傳輸,方便應用在無法鋪設線路的項目中或者是遠距離傳輸項目中,可實現多點,多中心管理,一但發生險情可立即通知管理員處理。實現撥打電話,發生報警短信通知。
產品功能第四點:可實現系統自動閉環控制,一但發生報警輸出,可自行啟動排風扇,可自動發生警報信號,自動切斷控制閥門關閉燃氣開關。可現實聲光與報警輸出開關量信號功能特點。
產品功能第五點:產品可搭載備用電源一但停電后可實現自動切換到備電狀態,停電不“罷工”持續檢測保衛安全。
產品功能能第六點:數據存儲,歷史記錄,數據分析曲線圖,報警記錄查詢,數據報表,遠程參數設置,讓數據監控更智能,管理數據更輕松。
本公司有氧化碳報警儀、可燃氣報警儀、二氧化氮檢查儀產品,您可以撥打熱線電話4006064188了解更多產品的詳細信息,至善至美的服務是我們永無止境的追求,歡迎新老客戶放心選購自己心儀產品,我們將竭誠為您服務!
北京中恒安科技股份有限公司
總部地址:北京市海淀區中關村東路18號財智國際大廈B-2106
咨詢電話:010-58814188-801 / 18522446612投訴建議:17694856296
400電話:400-685-0004
公司郵箱:info@hengan-insuruments.com
